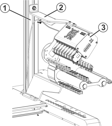
ASCON-Gerät montieren
Wenn nur ein ASCON-Gerät montiert werden soll, wird dieses an den rechten Träger (1) montiert.

Ein zweites ASCON-Gerät wird an den linken Träger montiert.
ASCON-Gerät montieren:
- Halter (2) auf die Schraube des Trägers (1) positionieren.
- Der Abstand zwischen Spulentisch und Halter beträgt etwa 45 cm.
- Schraube an dem Träger (1) festziehen.
- ASCON-Gerät (3) am Halter (2) befestigen.
Sehen Sie dazu auch
